
服务热线: 布袋除尘器生产厂家
您的位置: 河北富宇环保设备有限公司 > 粉尘除尘设备 > 布袋除尘器

LMN-Ⅱ型袋式除尘器以其卓越的性能和稳定的运行,成为众多企业的首选环保设备。LMN-Ⅱ型布袋式脉冲除尘器核心工作原理是过滤拦截。含尘气体由除尘器进气口进入除尘器内部,气流经过导流板均匀分布后,会穿过除尘器滤袋的外表面。
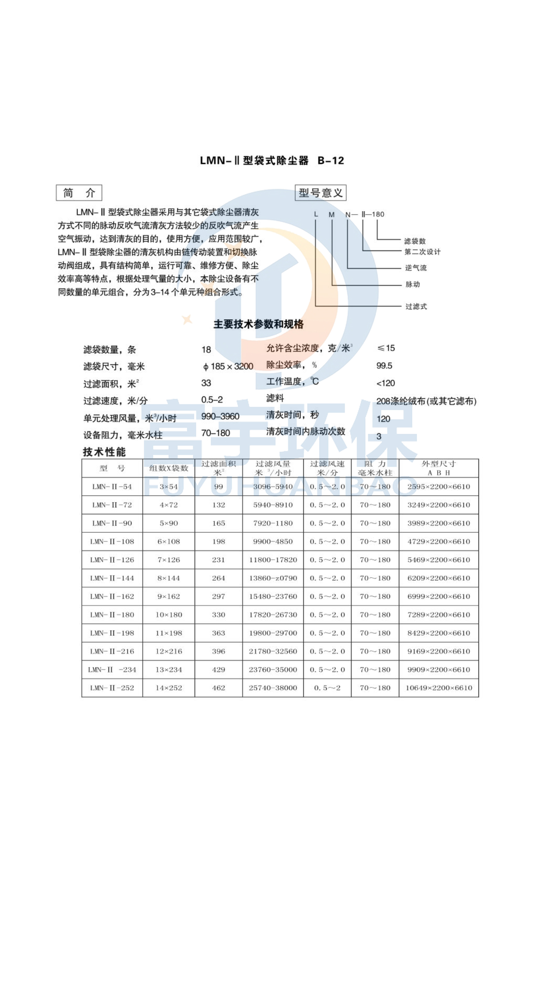
LMN-II型袋式除尘器采用与其它袋式除尘器清灰方式不同的脉动反吹气流清灰方法较少的反吹气流产生空气振动,达到清灰的目的,使用方便,应用范围较广,LMN-I1 型袋除尘器的清灰机构由链传动装置和切换脉动阀组成,具有结构简单,运行可靠、维修方便、除尘效率高等特点,根据处理气量的大小,本除尘设备有不同数量的单元组合,分为3-14个单元种组合形式。

LMN-Ⅱ型袋式除尘器:高效净化的布袋除尘器。
在现代工业生产中,粉尘污染是影响环境和员工健康的重要因素。作为控制粉尘排放的关键设备,LMN-Ⅱ型袋式除尘器以其卓越的性能和稳定的运行,成为众多企业的首选环保设备。
一、工作原理:滤袋过滤,精准捕尘
LMN-Ⅱ型袋式除尘器核心工作原理是过滤拦截。含尘气体由进气口进入除尘器内部,气流经过导流板均匀分布后,会穿过滤袋的外表面。
此时,粉尘颗粒被滤袋的纤维结构阻挡,停留在滤袋外侧。净化后的气体则通过滤袋内部,汇集到净气室,Z终由排气口排出。
随着过滤时间增加,滤袋外的粉尘层会增厚,导致设备阻力上升。为保证除尘器持续高效运行,LMN-Ⅱ型配备了脉冲清灰系统。
该系统会定期向滤袋内喷吹压缩空气,使滤袋瞬间膨胀、振动,将附着的粉尘抖落至灰斗中,再由排灰阀排出。
二、结构组成:模块化设计,稳定可靠
LMN-Ⅱ型袋式除尘器主要由以下几个部分组成:
• 箱体:包括上箱体(净气室)、中箱体(滤袋室)和下箱体(灰斗),是除尘器的主体框架,需具备足够的强度和密封性。
• 滤袋与袋笼:滤袋是过滤的核心元件,材质根据处理粉尘特性选择;袋笼用于支撑滤袋,防止其在过滤和清灰过程中变形或损坏。
• 脉冲清灰系统:由脉冲阀、喷吹管、气包等组成,负责定期清除滤袋表面的粉尘,维持设备低阻力运行。
• 进出风系统:包括进气口、排气口和导流装置,确保含尘气体均匀进入各滤袋室,避免Ju部滤袋负荷过高。
• 排灰系统:安装在灰斗底部,通常由星型卸料阀、螺旋输送机等组成,用于将收集的粉尘定时、定量排出。
三、性能特点:高效节能,适应性强
相比其他类型的除尘设备,LMN-Ⅱ型袋式除尘器具有显著优势:
1. 除尘效率高:对细粉尘(尤其是粒径1μm以下的粉尘)的捕集效率可达99.9%以上,能轻松满足严苛的环保排放标准。
2. 运行稳定:采用脉冲清灰技术,清灰效果好且对滤袋损伤小,设备阻力稳定,可长期连续运行。
3. 适应性强:可根据不同工况(如粉尘浓度、温度、腐蚀性等)选择合适的滤袋材质和结构,适用于冶金、化工、建材、电力等多个行业。
4. 维护方便:采用抽屉式或上揭盖式滤袋安装方式,更换滤袋时无需进入箱体内部,操作简单,降低了维护成本和劳动强度。
5. 节能降耗:优化的气流设计和清灰控制程序,有效降低了设备的风机能耗和压缩空气用量,运行成本较低。
四、应用场景:广泛覆盖工业领域
凭借出色的性能,LMN-Ⅱ型袋式除尘器在多个工业领域得到广泛应用:
• 建材行业:用于水泥生产线的破碎、研磨、包装等环节,以及石灰、石膏等物料的加工过程。
• 冶金行业:处理钢铁厂的烧结、炼铁、炼钢粉尘,以及有色金属冶炼过程中产生的含尘气体。
• 化工行业:适用于塑料、橡胶、涂料等生产过程中产生的有机粉尘或化学性粉尘。
• 电力行业:可配Tao用于燃煤锅炉、生物质锅炉的烟气除尘,确保尾气达标排放。
• 机械加工行业:收集金属切削、打磨、焊接等工序产生的金属粉尘。
五、使用注意事项:科学运维,延长寿命
为确保LMN-Ⅱ型袋式除尘器长期稳定运行,需注意以下几点:
1. 定期检查:定期检查滤袋的完好性、脉冲阀的工作状态以及各密封部位是否泄漏,发现问题及时处理。
2. 控制进气参数:严格控制进入除尘器的气体温度、湿度和含尘浓度,避免CA过滤袋的承受范围(如高温导致滤袋烧毁、高湿导致粉尘结块)。
3. 优化清灰参数:根据设备阻力变化调整脉冲清灰的周期和喷吹时间,避免清灰过度或不足。
4. 规范排灰操作:及时排出灰斗内的粉尘,防止粉尘堆积过高堵塞滤袋或引发二次扬尘。
5. 做好日常记录:记录设备的运行阻力、进出口粉尘浓度、清灰次数等参数,为后续维护和优化提供依据。
LMN-Ⅱ型袋式除尘器作为一种高效、可靠的环保设备,在工业粉尘治理中发挥着不可替代的作用。通过科学的选型、安装和运维,它能为企业实现绿色生产提供有力保障,同时助力G家环保事业的发展。

