
服务热线: 湿式除尘器生产厂家
您的位置: 河北富宇环保设备有限公司 > 粉尘除尘设备 > 湿式除尘器

XNT型湿式旋流强化凝聚脱硫除尘器XNT型湿式旋流强化凝聚脱硫除尘器是一款集脱硫、除尘、脱水于一体的高效环保设备。
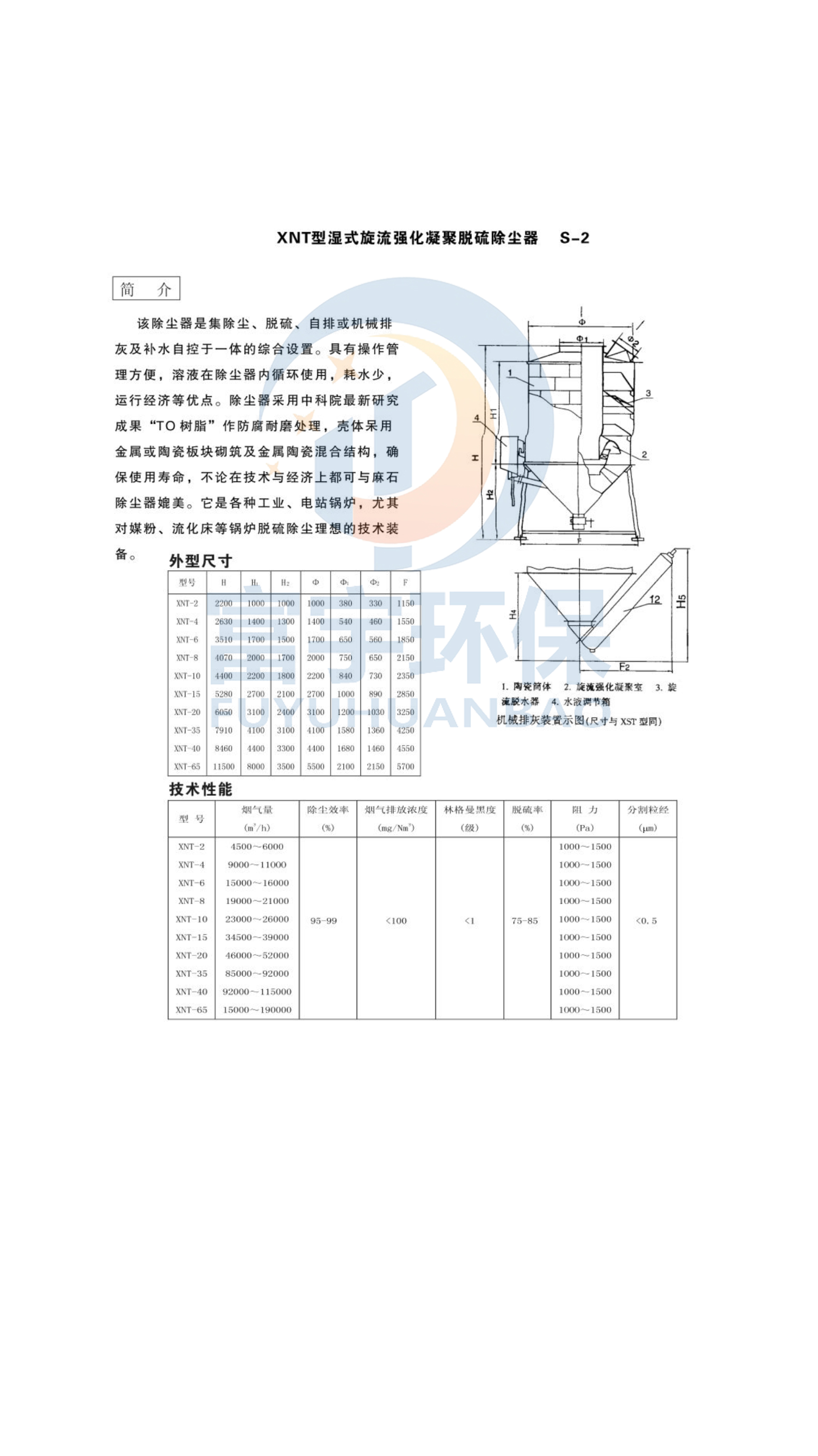
XNT型湿式旋流强化凝聚脱硫除尘器是集除尘、脱硫、自排或机械排灰及补水自控于一体的综合设置。具有操作管理方便,溶液在除尘器内循环使用,耗水少,运行经济等优点。除尘器采用中科院最新研究成果“TO 树脂”作防腐耐磨处理,壳体呆用金属或陶瓷板块砌筑及金属陶瓷混合结构,确保使用寿命,不论在技术与经济上都可与麻石除尘器媲美。它是各种工业、电站锅炉,尤其对媒粉、流化床等锅炉脱硫除尘理想的技术装备。

XNT型湿式旋流强化凝聚脱硫除尘器
XNT型湿式旋流强化凝聚脱硫除尘器是一款集脱硫、除尘、脱水于一体的高效环保设备。它特别适用于锅炉、窑炉等工业烟气的净化处理。
核心工作原理是通过独特的旋流结构,使烟气与雾化的吸收液产生强烈的旋转和扰动。这一过程极大地增加了气液接触面积和接触时间,从而实现高效的脱硫和除尘效果。
主要优势与特点
• 效率高:脱硫效率通常可达95%以上,除尘效率能稳定在99%以上,能有效去除烟气中的粉尘和二氧化硫。
• 功能全:一次性完成脱硫、除尘、脱水,流程短,占地面积小,系统简单可靠。
• 成本低:设备运行阻力小,能耗较低。同时,采用湿法工艺,操作维护方便,运行成本可控。
• 适用广:对煤种变化适应性强,能满足不同工况下的烟气净化需求,是工业企业实现超低排放的理想选择。
适用行业
电力、钢铁、化工、建材、有色金属冶炼等需要进行烟气脱硫除尘的行业。

